Fiber X100系列白光干涉解调仪
发布时间: 2020-05-26 13:54
Fiber X100系列白光干涉信号解调模块,基于低相干白光干涉(WLI)技术,适用于佰为深科技的Fiber S100/Fiber S200系列压力传感器及Fiber S900系列温度传感器。模块通过串口输出实时腔长信息,可提供开放式的OEM模块,便于用户集成。
Fiber X100C 白光干涉法珀腔解调模块(核磁兼容版),同样基于低相干白光干涉(WLI)技术,与佰为深科技Fiber S100/Fiber S200系列压力传感器及Fiber S900系列温度传感器完美适配。该模块针对特殊场景需求优化硬件设计,具备优异的抗磁干扰性能,可稳定应用于免磁要求的场景。模块通过串口输出实时腔长信息,可提供开放式的OEM模块,便于用户集成。
Fiber X100MiniBox 系列白光干涉信号解调设备,基于低相干白光干涉(WLI)技术,适用于佰为深科技的 Fiber S100/Fiber S200系列压力传感器、Fiber s900 系列温度传感器。设备的电源和信号接口满足医疗 2xMOPP 要求,能和相关医疗器械主机直接无缝外部集成,能快速满足医疗厂商集成光学传感的应用需求。
产品特征
产品应用
人体生理压力
动物生理压力
实验室压力测量
工业OEM应用
产品参数
| 产品参数
|
| 通道数
| 1 |
兼容性
| Fiber S100/Fiber S200系列 法珀腔压力传感器 Fiber S900系列 温度传感器
|
| 满量程
| 6000nm
|
| 分辨率
| 0.1nm
|
| 精度
| ±1.5nm
|
| 最大采样频率
| 150Hz、250Hz
|
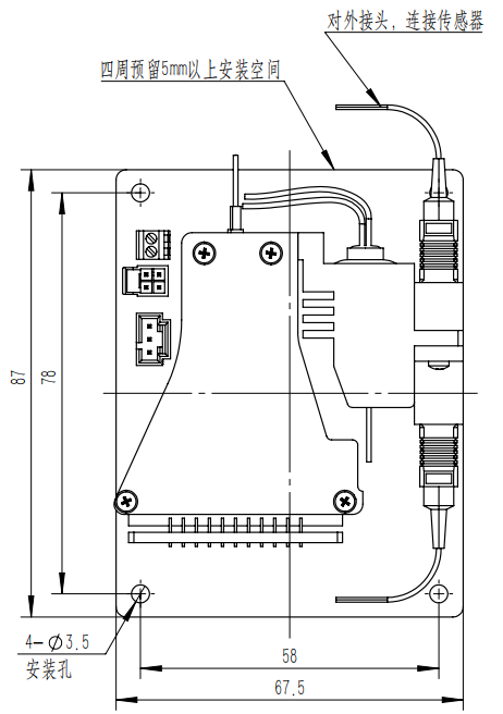
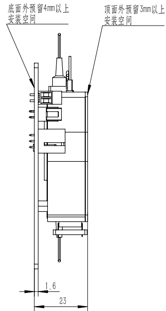
| 模块尺寸
| 87mm*67.5mm*27mm
|
| 输入功率
| 典型 2W、3W
|
| 存储温度
| -40℃~70℃
|
| 工作温度
| 0℃~45℃
|
| 湿度
| 95%RH非冷凝
|
订购信息
产品结构与尺寸


(X100N白光干涉法珀腔解调模块结构图)

(X100M白光干涉法珀腔解调模块产品结构图)
所有的参数以具体的产品规格书为准,请联系佰为深商务人员,获得最新的规格书。